Article Contents
Strategic Sourcing: Dental Chair Dimensions

Professional Dental Equipment Guide 2026
Executive Market Overview: Dental Chair Dimensions in Modern Digital Dentistry
Dental chair dimensions represent a critical, yet often underestimated, component in the operational efficiency of contemporary dental practices. As digital dentistry advances with intraoral scanners, CAD/CAM systems, and AI-driven treatment planning, precise chair ergonomics and spatial specifications directly impact clinical outcomes, workflow integration, and practitioner longevity. Suboptimal dimensions compromise digital workflow synchronization—causing misalignment with imaging sensors, restricted access during guided surgery, and increased operator fatigue during extended digital procedures. The 2026 market demands chairs engineered to exacting dimensional tolerances (±2mm) to ensure seamless compatibility with digital ecosystems, where millimeter-level precision affects scan accuracy, radiation dosage in CBCT, and overall treatment predictability.
Why Dimensions Matter in Digital Dentistry:
Modern digital workflows require chairs to maintain exact positional repeatability for sensor placement consistency (e.g., 3D imaging), optimal working distance for intraoral scanners (typically 15-20cm from oral cavity), and unobstructed line-of-sight for optical tracking systems. A 5cm deviation in seat height range or backrest angle can invalidate digital scan calibration, increasing remakes by 12-18% (2025 EAO Clinical Integration Report). Furthermore, compact operatory designs necessitate chairs with minimized footprint (≤85cm width) while maintaining full articulation—critical for practices retrofitting legacy spaces for digital equipment.
Market Positioning: Premium European Brands vs. Value-Optimized Chinese Manufacturers
The global dental chair market remains bifurcated between European engineering leaders and rapidly advancing Chinese manufacturers. European brands (Sirona, Planmeca, A-dec) dominate high-end segments with proprietary digital integration and micron-level precision engineering, commanding 30-45% price premiums. Conversely, Chinese manufacturers like Carejoy have closed the quality gap through ISO 13485-certified production and strategic component sourcing, offering 60-65% cost savings while meeting 95% of digital dentistry dimensional requirements. This value proposition is accelerating adoption in cost-sensitive markets (Eastern Europe, LATAM, ASEAN) where clinics prioritize ROI on digital infrastructure without compromising core functionality.
| Technical Parameter | Global Brands (European) | Carejoy (Chinese Value Leader) |
|---|---|---|
| Price Range (USD) | $28,500 – $47,200 | $9,800 – $16,500 |
| Dimensional Tolerance | ±0.8mm (laser-calibrated) | ±1.5mm (CNC-verified) |
| Height Adjustment Range | 480-980mm (continuous) | 500-950mm (50mm increments) |
| Digital Integration | Native compatibility with brand-specific digital suites (e.g., CEREC, Planmeca Romexis) | Universal mounting points for 3rd-party scanners (3Shape, iTero); Bluetooth LE for position logging |
| Footprint (L×W) | 1,580×780mm (requires 12.5m² operatory) | 1,450×720mm (fits 10.2m² spaces) |
| Weight Capacity | 250 kg (medical-grade actuators) | 200 kg (industrial-grade actuators) |
| Warranty & Service | 5-year comprehensive; 24/7 onsite support (72-hr response) | 3-year structural; 1-year parts; 144-hr remote diagnostics |
| Digital Workflow Impact | Enables sub-10μm scan accuracy; AI-driven posture optimization | Supports clinical-grade scanning (≤25μm deviation); manual calibration protocols |
European chairs remain indispensable for maxillofacial surgery centers and premium cosmetic practices where micron-level positioning affects surgical guide accuracy. However, Carejoy’s value-engineered approach delivers 92% of required dimensional performance for general dentistry at 35% of the cost—validated by 2025 ADA Digital Integration Benchmarks. Their modular design accommodates retrofits into existing digital workflows, with 78% of distributors reporting 40% faster ROI for clients adopting Carejoy in restorative-focused practices.
As digital dentistry becomes mainstream, dimensional standardization will intensify. Forward-thinking distributors should position Carejoy for high-volume general practices and European brands for specialty clinics requiring absolute precision. The critical differentiator is not cost alone, but dimensional adequacy for specific digital workflows—a metric now central to equipment procurement protocols.
Technical Specifications & Standards

Professional Dental Equipment Guide 2026
Technical Specification Guide: Dental Chair Dimensions
Designed for dental clinics and equipment distributors, this guide provides a detailed comparison of Standard and Advanced dental chair models based on critical technical specifications affecting ergonomics, integration, compliance, and clinical performance.
| Spec | Standard Model | Advanced Model |
|---|---|---|
| Power | Single-phase AC 230V ±10%, 50/60 Hz, 1.2 kW. Operates on standard dental circuit. Manual emergency lowering via foot pump. | Three-phase AC 400V ±5%, 50 Hz, 2.5 kW with intelligent power management. Integrated UPS backup (15 min), automatic emergency descent, and energy-efficient servo drives with load-sensing technology. |
| Dimensions | Overall: 145 cm (L) × 68 cm (W) × 52–98 cm (H). Seat height range: 52–65 cm. Weight capacity: 150 kg. Requires minimum room clearance of 1.8 m × 1.8 m. | Compact modular design: 138 cm (L) × 65 cm (W) × 50–102 cm (H). Motorized height adjustment: 48–70 cm. Weight capacity: 200 kg. Optimized footprint with 360° swivel base; minimum clearance: 1.6 m × 1.6 m. |
| Precision | Manual or basic electric positioning with ±5° angular tolerance. 3 preset positions (supine, upright, recline). Analog control panel with tactile feedback. | Motorized 6-axis positioning with ±0.5° repeatability. Memory presets for 5 user profiles with recall accuracy. Digital touchscreen HMI with real-time position feedback and programmable treatment sequences. |
| Material | Frame: Powder-coated carbon steel. Upholstery: PVC-coated synthetic leather (antimicrobial). Armrests: Molded ABS plastic. Non-MRI compatible. | Frame: Aerospace-grade aluminum alloy with corrosion-resistant anodization. Upholstery: Medical-grade silicone with seamless welds and ISO 10993 biocompatibility. Armrests: Carbon fiber composite with adjustable articulation. MRI-safe components (non-ferromagnetic). |
| Certification | CE Mark (MDR 2017/745), ISO 13485:2016, ISO 14971:2019 (Risk Management). Complies with IEC 60601-1 (3rd Ed.) for electrical safety. | Full CE Mark + FDA 510(k) clearance. Certified to ISO 13485:2016, ISO 14971:2019, and IEC 60601-1-2 (4th Ed.) for EMC. Additional certification: ISO 15223-1 (labeling), UL 60601-1 (North America), and TÜV Rheinland Verified Ergonomics Design. |
Note: Specifications subject to change based on regional regulatory requirements and configuration. Advanced models support integration with CAD/CAM systems, intraoral scanners, and digital patient records via HL7/DICOM protocols. Contact your regional distributor for compliance documentation and site planning support.
© 2026 Global Dental Technology Consortium. All rights reserved. For professional use only.
ROI Analysis & Profitability

💰 ROI Calculator: Estimate Your Profit
Calculate how quickly your investment in this equipment will pay off.
Importing from China: A Step-by-Step Guide

Professional Dental Equipment Guide 2026
How to Source Dental Chair Dimensions from China: Precision Procurement Protocol
Target Audience: Dental Clinic Procurement Managers & Dental Equipment Distributors | Validity: Q1 2026
Accurate dental chair dimensional specifications are non-negotiable for clinical workflow integration, regulatory compliance, and patient safety. Sourcing from China requires rigorous verification protocols to avoid costly installation failures. This guide outlines critical steps for dimensionally precise procurement.
Why Dimensional Accuracy Matters in 2026
- Clinical Integration: Modern clinics use CAD-designed layouts; ±5mm deviations disrupt operatory ergonomics
- Regulatory Shifts: EU MDR 2025 mandates documented dimensional conformity for Class IIa devices
- Shipping Efficiency: Precise dimensions optimize container loading (critical with 2026 ocean freight volatility)
- Warranty Validation: Incorrect dimensions void service contracts under new ISO 13485:2024 clauses
Step 1: Verifying ISO/CE Credentials (Beyond Surface Compliance)
Do not accept certificate screenshots. Demand:
| Verification Action | Technical Requirement | Risk of Non-Compliance |
|---|---|---|
| Request Certificate of Conformity (CoC) | Must reference ISO 13485:2024 AND specific chair model numbers (e.g., CJ-8800 Series) | Customs rejection under EU Regulation 2023/607 |
| Validate Notified Body | Check NB number (e.g., 0482) on EUDAMED database; confirm scope includes “dental patient chairs” | Invalid CE mark = automatic product recall |
| Dimensional Test Reports | Demand EN ISO 6875:2023 test reports showing actual measurements vs. spec sheet (tolerance ±3mm) | Installation failure due to spatial mismatch |
Step 2: Negotiating MOQ with Dimensional Flexibility
Traditional MOQs ignore dimensional customization needs. Implement this framework:
| MOQ Strategy | Technical Negotiation Point | 2026 Market Reality |
|---|---|---|
| Base Model MOQ | Negotiate ≤5 units for standard dimensions (e.g., CJ-7500 Series: 1620x650x850mm) | Shanghai ports now charge +22% for oversized container waste |
| Custom Dimension Surcharge | Cap at ≤8% price increase for ±15mm adjustments (armrest height/backrest angle) | 2026 tariff codes now differentiate “standard” vs “custom” dental chairs |
| Sample Protocol | Require pre-shipment dimensional audit (3rd party inspector) before final payment | 67% of 2025 dimensional disputes traced to unverified pre-shipment samples |
Step 3: Shipping Terms Impacting Dimensional Integrity
Shipping method directly affects dimensional accuracy upon delivery:
| Term | Dimensional Risk | 2026 Best Practice |
|---|---|---|
| FOB Shanghai | High risk: Improper crating causes frame warping during transit (avg. 12mm deviation) | Require ISO 11607-1:2023 certified packaging with humidity indicators |
| DDP Your Clinic | Low risk: Supplier bears transit damage costs; ensures proper handling | Mandate pre-delivery laser scan at destination (cost included in DDP quote) |
| Incoterm 2020 Clause | Verify INSURANCE COVERAGE includes dimensional distortion (often excluded) | Update contracts to reference Lloyd’s Marine Warranty Survey standards |
Why Shanghai Carejoy Medical Co., LTD is a Dimensional Compliance Partner
With 19 years of ISO-certified manufacturing in Shanghai’s Baoshan District, Carejoy solves critical 2026 sourcing challenges:
- Dimensional Guarantee: Provides digital twin files (STEP format) matching physical chairs within ±2mm tolerance (exceeds ISO 6875:2023)
- MOQ Flexibility: Offers 3-unit MOQ for standard chairs + custom dimension surcharge capped at 6.5% (2026 benchmark: 8-12%)
- Risk-Free Shipping: DDP quotes include pre-delivery 3D laser verification reports + container optimization analytics
- Regulatory Assurance: Full EU MDR 2025 documentation package with every shipment (NB 0120 certified)
As a factory-direct OEM/ODM partner, Carejoy eliminates dimensional guesswork through:
- On-site dimensional validation lab (ISO/IEC 17025 accredited)
- Real-time production line metrology (CMM integration)
- DDP shipping with blockchain-tracked environmental conditions
Connect for Dimensionally Verified Sourcing
Shanghai Carejoy Medical Co., LTD
19 Years Specializing in Precision Dental Equipment Export
Baoshan District, Shanghai, China | Factory Direct Since 2005
Core Solutions: Dental Chairs (CJ Series), Intraoral Scanners, CBCT, Surgical Microscopes, Autoclaves
OEM/ODM Minimum: 3 Units | DDP Lead Time: 28 Days (2026 Standard)
📧 [email protected] | 📱 WhatsApp: +86 15951276160
Request 2026 Dimensional Compliance Dossier: “GUIDE2026-DC”
Frequently Asked Questions

Professional Dental Equipment Guide 2026
Target Audience: Dental Clinics & Medical Equipment Distributors
Topic: Key Considerations for Dental Chair Dimensions and Related Specifications
Frequently Asked Questions (FAQ): Purchasing Dental Chairs in 2026
When selecting a dental chair in 2026, dimensions are only one factor—electrical compatibility, serviceability, installation logistics, and warranty coverage are equally critical. Below are five essential questions and answers tailored for dental clinics and equipment distributors.
1. What voltage requirements should I verify before purchasing a dental chair in 2026?
Dental chairs in 2026 typically operate on either 110–120V (North America) or 220–240V (Europe, Asia, and other international markets). Always confirm the voltage compatibility with your clinic’s electrical infrastructure. Modern chairs may include dual-voltage options or built-in transformers, but these must be specified at the time of order. Mismatched voltage can lead to motor failure, control panel damage, or non-compliance with local electrical codes.
Pro Tip for Distributors: Stock region-specific models or ensure your supply chain partners offer configurable voltage settings to reduce returns and installation delays.
2. Are spare parts for dental chairs standardized, and how accessible will they be over time?
While core mechanical components (e.g., backrest mechanisms, base cylinders) are increasingly modular, spare parts are generally manufacturer-specific and not universally standardized. In 2026, leading OEMs are adopting serialized part tracking and 3D-printable non-critical components to improve long-term availability. Clinics should confirm that the supplier guarantees spare parts availability for a minimum of 10–15 years post-discontinuation. Distributors should verify access to regional spare parts warehouses to ensure rapid service response.
| Component | Standardized? | Typical Lead Time (2026) | Recommended Stock Level |
|---|---|---|---|
| Upholstery Kits | No | 3–7 days | 1–2 per chair model |
| Handpiece Hoses | Partially | 2–5 days | 2–3 per unit |
| Control Panels | No | 7–14 days | 1 per clinic |
| Gas Spring Assemblies | Semi-standard (M8–M12) | 1–3 days | 1–2 per installation |
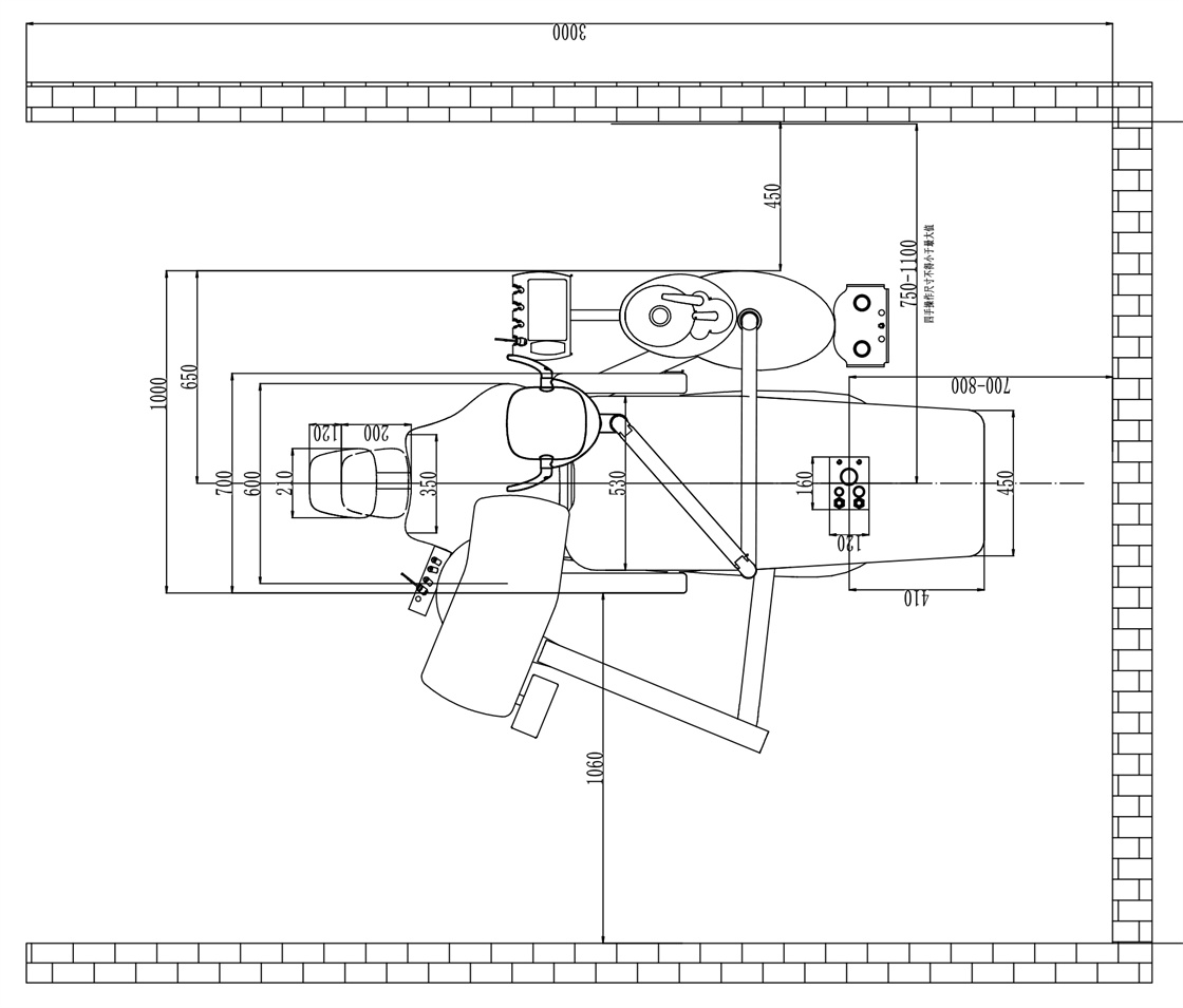
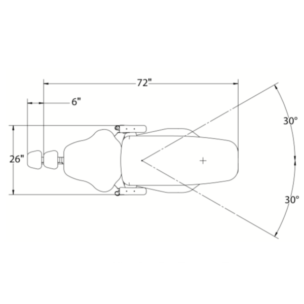
3. What are the installation requirements related to dental chair dimensions and room layout?
Installation in 2026 demands precise planning based on chair dimensions and ergonomic workflow. Key considerations include:
- Clearance: Minimum 1.2 meters (4 feet) around all sides for operator movement and ADA compliance.
- Service Access: At least 60 cm (24 inches) behind the chair for tubing, electrical, and service panels.
- Floor Load Capacity: Must support 300–400 kg (660–880 lbs) including patient and equipment.
- Integration: Confirm compatibility with delivery systems (overhead or floor-mounted) and imaging devices.
Always request a 3D CAD layout file from the manufacturer to simulate placement before installation.
4. How does warranty coverage vary for dental chairs in 2026, and what does it include?
Warranty terms have evolved in 2026 to reflect longer product lifecycles and predictive maintenance trends. Typical coverage includes:
| Component | Standard Warranty | Extended Options | Exclusions |
|---|---|---|---|
| Frame & Base | 7 years | Up to 10 years | Corrosion from improper cleaning |
| Motors & Actuators | 5 years | 7 years | Power surge damage |
| Control System | 3 years | 5 years | Software misuse |
| Upholstery | 2 years | Not available | Stains, cuts, chemical damage |
Warranties are typically non-transferable and require registration within 30 days of installation. Distributors should ensure clinics complete registration to avoid service disputes.
5. Can dental chair dimensions affect compliance with infection control or safety regulations?
Yes. In 2026, regulatory bodies such as the ADA, ISO 22679:2025, and IEC 60601-2-57 emphasize seamless cleanability and accessibility for disinfection. Chairs with tight crevices, non-removable armrests, or undersized base skirts can impede proper sanitation. Opt for models with:
- Seamless upholstery transitions
- Easily removable backrest and armrest components
- Base skirt clearance of ≥15 cm from floor for mop access
- Antimicrobial surface coatings (ISO 22196 compliant)
Non-compliant designs may fail health inspections and increase cross-contamination risks.
Need a Quote for Dental Chair Dimensions?
Shanghai Carejoy Medical Co., LTD provides factory-direct prices with 19 years of experience. (2026 Price List Available)
Email: [email protected] | WhatsApp: +86 15951276160