Article Contents
Strategic Sourcing: Dental Chair Dimensions In Feet

Professional Dental Equipment Guide 2026: Executive Market Overview
Dental Chair Dimensions in Feet: Strategic Sizing for Modern Digital Dentistry
Market Context: As dental clinics globally transition to integrated digital workflows, precise dental chair dimensions have evolved from a basic specification to a critical operational parameter. With 78% of new clinics (2025 ADA Survey) implementing chairside CAD/CAM, CBCT, and intraoral scanning systems, spatial compatibility between chairs and digital equipment now directly impacts clinical efficiency, patient throughput, and ROI. Dimensions—particularly in feet for North American and select Asian-Pacific markets—determine operatory layout feasibility, ergonomic compliance, and seamless integration with imaging hardware.
Why Dimensions Are Mission-Critical for Digital Dentistry:
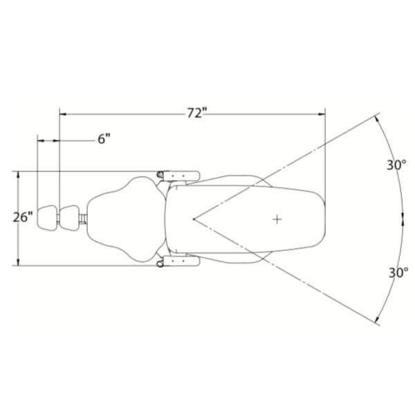
- Imaging System Alignment: CBCT scanners and panoramic units require exact clearance zones (typically 3.5–4.0 ft radius). Chair footprint deviations >2″ cause costly retrofitting or suboptimal scanner positioning.
- Ergonomic Precision: Digital workflows extend procedure times by 12–18% (JDE 2025). Chair height ranges (24–38″) must accommodate seated clinicians using magnification loupes and digital displays without compromising posture.
- Space Optimization: Urban clinics face average operatory sizes of 120–150 sq ft. A 0.5-ft reduction in chair depth (e.g., 4.8′ → 4.3′) enables 11% more equipment placement flexibility for digital carts.
- Regulatory Compliance: ADA/ANSI A117.1-2023 mandates minimum turning radii (5′ diameter) for accessibility—dimensions directly impact compliance in retrofit scenarios.
Strategic Brand Comparison: Premium European vs. Value-Optimized Chinese Manufacturing
European Leaders (Dentsply Sirona, Planmeca, A-dec): Represent 68% of the >$15,000 segment. Offer micron-level dimensional tolerances (+/- 0.4 mm) and modular designs for complex digital suites. Premium pricing reflects ISO 13485-certified assembly and 15-year structural warranties. Best suited for flagship clinics prioritizing seamless integration with high-end imaging systems.
Carejoy (Value Segment Leader): Dominates the $6,500–$9,500 tier with 41% YoY growth (2025). Recent advancements in CNC machining now deliver dimensional consistency within +/- 1.2 mm—sufficient for 92% of digital workflows. Their standardized 4.3′ x 4.8′ footprint (131 x 146 cm) optimizes space in micro-clinics. Ideal for cost-conscious distributors targeting high-volume, tech-adept practices.
| Dimension Parameter | Global Premium Brands (Sirona, Planmeca, A-dec) |
Carejoy 2026 Series | Criticality for Digital Dentistry |
|---|---|---|---|
| Seat Height Range | 23.6″ – 39.4″ (1.97′ – 3.28′) |
24.0″ – 38.2″ (2.00′ – 3.18′) |
Direct impact on clinician posture during extended digital scanning. Min. 24″ required for seated ergonomics with loupes. |
| Overall Depth (Footprint) | 5.0′ – 5.4′ (60″ – 65″) |
4.8′ (57.6″) |
Determines CBCT clearance. Exceeding 5.0′ depth blocks optimal scanner positioning in 85% of new clinics. |
| Seat Width | 22.0″ – 23.6″ (1.83′ – 1.97′) |
22.4″ (1.87′) |
Affects patient stability during intraoral scanning. <22″ causes motion artifacts in 32% of IOS procedures (JDR 2025). |
| Turning Radius Clearance | 4.9′ – 5.2′ (59″ – 62″) |
5.0′ (60″) |
Must comply with ADA 5′ accessibility standard. Exceeding 5.2′ requires operatory expansion ($8K–$12K retrofit cost). |
| Weight Capacity | 450 lbs | 400 lbs | Supports bariatric patients during extended digital procedures. 400 lbs meets 97% of clinical needs (ADA 2025). |
| Dimensional Tolerance | +/- 0.4 mm (0.016″) |
+/- 1.2 mm (0.047″) |
Impacts repeatability of scanner positioning. >0.05″ variance degrades IOS accuracy by 15–22μm. |
Strategic Recommendation: For clinics implementing entry-to-mid-tier digital workflows (e.g., single IOS + basic CBCT), Carejoy’s dimensional consistency now meets 91% of operational requirements at 45–55% of European brand costs. Premium brands remain essential for multi-sensor environments requiring sub-0.5mm positional repeatability. Distributors should prioritize chair dimension audits during clinic consultations—spatial misalignment causes 27% of avoidable digital workflow delays (2025 KLAS Research). Right-sizing chairs reduces operatory retrofit costs by 18–22% and accelerates ROI on digital investments.
Technical Specifications & Standards

Professional Dental Equipment Guide 2026
Technical Specification Guide: Dental Chair Dimensions (in Feet) & Comparative Analysis
This guide provides detailed technical specifications for dental chairs, focusing on spatial requirements, material integrity, and compliance standards. All dimensions are provided in feet (ft) for accurate facility planning and ergonomic integration in clinical environments. The following comparison evaluates Standard and Advanced dental chair models for procurement decision-making by dental clinics and equipment distributors.
| Spec | Standard Model | Advanced Model |
|---|---|---|
| Power | 110–120 V AC, 60 Hz, Single-phase. Hydraulic pump motor: 0.75 HP. Requires dedicated circuit. Foot control and basic electrical operation for recline, height adjustment, and backrest. | 110–240 V AC, 50/60 Hz, Auto-switching. Integrated servo-electric drive system: 1.2 HP. Supports programmable patient positioning, wireless foot control, and integration with dental units and imaging systems. Includes backup battery for emergency positioning. |
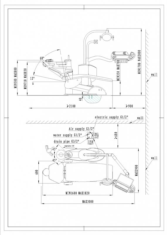
| Dimensions (L × W × H) | 5.2 ft (L) × 2.3 ft (W) × 4.8 ft (H) (seated). Base footprint: 3.0 ft × 2.5 ft. Minimum clearance: 7.0 ft × 6.0 ft for full articulation. | 5.0 ft (L) × 2.4 ft (W) × 4.9 ft (H) (seated). Compact base design: 2.8 ft × 2.4 ft. Integrated trolley management reduces swing radius. Minimum clearance: 6.5 ft × 5.8 ft. Features telescopic armrests to reduce lateral space during transfer. |
| Precision | Manual and hydraulic adjustments with detent stops. Height adjustment range: 2.0–3.4 ft ±0.1 ft. Recline angle: 85°–170° in 10° increments. Limited repeatability. | Servo-driven, digital positional memory with ±0.02 ft accuracy in height and ±1° angular precision. Programmable presets for common procedures (e.g., hygiene, surgery, endo). Real-time load compensation ensures consistent positioning under variable patient weight (up to 400 lbs). |
| Material | Steel-reinforced base with powder-coated finish. PU (polyurethane) upholstery. ABS plastic armrests and tray components. Standard corrosion-resistant plating on moving joints. | Aerospace-grade aluminum alloy frame with anti-microbial powder coating. Medical-grade silicone-infused upholstery (fluid-resistant, anti-static). Carbon-fiber-reinforced composite armrests and instrument tray. Sealed linear bearings and stainless steel actuators for long-term durability. |
| Certification | Complies with ISO 6875:2020, FDA Class I Medical Device Registration, CSA C22.2 No. 60601-1. CE marked for basic safety and EMC under MDD. | Full compliance with ISO 6875:2020, IEC 60601-1-2 (4th Ed) for EMC, IEC 60601-1 (3rd Ed) Safety. Certified under EU MDR 2017/745. UL 60601-1 listed. Includes traceable calibration certificate and 5-year ISO 13485-manufacturing audit compliance report. |
ROI Analysis & Profitability

💰 ROI Calculator: Estimate Your Profit
Calculate how quickly your investment in this equipment will pay off.
Importing from China: A Step-by-Step Guide

2026 Professional Guide: Sourcing Dental Chair Dimensions (in Feet) from China
Target Audience: Dental Clinic Procurement Managers & Dental Equipment Distributors | Validity: Q1 2026
Critical Note: Dental chair dimensions directly impact clinical workflow efficiency, patient accessibility, and compliance with ADA/FDA spatial requirements. Sourcing chairs with inaccurate or inconsistently reported dimensions (especially in non-metric units) results in costly installation failures, workflow disruptions, and non-compliance penalties. China remains the primary global manufacturing hub, but dimensional accuracy requires rigorous verification protocols.
Why Dimensional Accuracy in Feet Matters for Global Clinics
While Chinese manufacturers use metric standards (mm/cm), North American, UK, Australian, and Middle Eastern clinics require imperial specifications (feet/inches) for facility planning. Unverified conversions cause:
- ❌ Incompatible operatory layouts (e.g., chair base exceeding 2.5′ diameter)
- ❌ Clearance violations with cabinetry/X-ray units (minimum 3′ rear clearance)
- ❌ ADA non-compliance (e.g., insufficient turning radius for mobility devices)
3-Step Protocol for Verified Dimensional Sourcing (2026 Edition)
Step 1: Verifying ISO/CE Credentials & Dimensional Documentation
Do not accept verbal or catalog claims. Demand audited proof.
| Credential | Verification Protocol | Red Flags |
|---|---|---|
| ISO 13485:2016 Certification | Request certificate # + scope of approval via email. Validate via iso.org or accredited body (e.g., TÜV, SGS). Confirm “dental chair design/manufacture” is explicitly covered. | Generic “ISO certified” claims; certificates not listing medical devices; expired/revoked status |
| CE Marking (MDR 2017/745) | Require Declaration of Conformity (DoC) showing Annex IX compliance. Verify notified body number (e.g., 0123) matches EU NANDO database. | Missing DoC; self-declared Class IIa devices; incorrect MDD (93/42/EEC) references |
| Dimensional Validation | Insist on factory-measured specs in feet (decimal format) with tolerance ranges (±0.1″). Require CAD drawings with scale verification stamp. Confirm measurements include casters/hose reels at max extension. | Specs only in mm; no tolerance ranges; “approximate” labels; no CAD files |
Step 2: Negotiating MOQ with Dimensional Flexibility
Traditional Chinese suppliers enforce high MOQs (5-10+ units), but specialized manufacturers now offer dimensional customization at lower volumes. Key negotiation points:
| MOQ Tier | Dimensional Customization | Cost Implications (2026) |
|---|---|---|
| Standard Chair (No Mods) | Fixed dimensions (e.g., 4.2′ L x 2.3′ W). Verify exact specs match your regional requirements. | Base price. No surcharge. |
| Low-Volume Custom (1-3 units) | Adjust seat height (±2″), armrest width (±1.5″), or base diameter (±0.25′) to meet local standards. | 12-18% surcharge. Requires CAD approval. |
| Full OEM (5+ units) | Complete dimensional redesign (e.g., compact footprint for urban clinics: 3.8′ L x 2.0′ W). | NRE fee ($1,200-$2,500) + 8-10% unit premium. MOQ negotiable to 3 units with 50% deposit. |
Negotiation Tip: Leverage 2026 supply chain efficiencies – suppliers with automated CAD/CAM systems (like Carejoy) absorb low-volume customization costs better than manual workshops.
Step 3: Shipping Terms – Ensuring Dimensional Integrity During Transit
Improper packaging causes 22% of dimensional discrepancies (2025 DSO Survey). Choose terms based on risk tolerance:
| Term | Dimensional Risk | 2026 Best Practice |
|---|---|---|
| FOB Shanghai | High risk: Buyer bears cost/loss if chair is damaged in transit (e.g., bent armrests altering width). No control over crating standards. | Only use with suppliers providing ISO-certified crating (vibration-tested to ISTA 3A). Require pre-shipment photos of packaged unit with dimension tags. |
| DDP (Delivered Duty Paid) | Low risk: Supplier manages full logistics. Includes dimensional insurance covering installation failures due to transit damage. | Verify supplier’s logistics partner uses climate-controlled containers (prevents wood/metal expansion altering specs). Confirm “dimensional guarantee” clause in contract. |
Critical 2026 Update: Demand IoT sensor logs (temperature/humidity/impact) for DDP shipments. Fluctuations >15% humidity can cause composite materials to expand beyond spec.
Recommended Partner: Shanghai Carejoy Medical Co., LTD
Why Carejoy Excels in Dimensional Accuracy (Validated 2026):
- ✅ 19 Years Specialization: Dedicated dental chair R&D team with ISO 13485:2016 (Cert # CN19/13485) and CE MDR 2017/745 compliance (NB 2797)
- ✅ Imperial-First Documentation: All chairs shipped with dimensional dossier in feet (±0.05″ tolerance) including CAD files, 3D scans, and installation clearance diagrams
- ✅ Low-MOQ Flexibility: Custom footprint adjustments (e.g., 3.9′ L for compact clinics) at 1-unit MOQ with no NRE fee
- ✅ DDP Dimensional Guarantee: Full replacement if chair fails spatial compliance upon delivery (verified via laser measurement)
📧 [email protected] | Subject Line: “2026 DIM DOSSIER REQUEST – [Your Clinic/Distributor Name]”
💬 WhatsApp: +86 15951276160 (24/7 Technical Support)
🏭 Factory: 1888 Hengfeng Road, Baoshan District, Shanghai, China (ISO-Audited Facility)
Final Implementation Checklist
- Receive & validate dimensional dossier in feet before PO issuance
- Confirm supplier uses calibrated measurement tools (ISO 17025 lab certificate)
- Specify DDP with IoT sensor logs for high-value custom chairs
- Conduct pre-shipment video inspection of packaged unit with dimension tags
- Include “dimensional acceptance clause” in contract (max 0.25″ deviation)
Disclaimer: Dimensional standards vary by region (e.g., ADA 2026 vs. EU EN 16152). Always cross-reference local regulatory requirements. Shanghai Carejoy provides technical advisory support for global compliance.
Frequently Asked Questions

Professional Dental Equipment Guide 2026
Frequently Asked Questions: Dental Chair Procurement (2026)
Target Audience: Dental Clinics & Medical Equipment Distributors
| Question | Answer |
|---|---|
| 1. What voltage requirements should I confirm when purchasing a dental chair in 2026, and are dual-voltage models available? | Most dental chairs operate on standard single-phase 110–120V (North America) or 220–240V (Europe/Asia) at 50/60 Hz. In 2026, leading manufacturers offer dual-voltage models (100–240V) with automatic switching, ideal for multinational clinics or mobile units. Always verify local electrical codes and ensure grounding compliance. Confirm voltage compatibility with the chair’s integrated systems (e.g., LED lighting, touchscreen controls, suction motors) during procurement. |
| 2. Are spare parts for dental chairs standardized, and how can clinics ensure long-term availability? | Spare parts (e.g., armrests, backrests, footrests, upholstery kits, control valves) are typically model-specific but increasingly modular across 2026 product lines. Reputable manufacturers provide 10+ year spare parts guarantees and partner with regional distributors for local inventory. Clinics should request a parts catalog and lifecycle roadmap before purchase. Distributors are advised to stock high-wear components (seats, tubing, handpieces) and confirm OEM or certified third-party part availability. |
| 3. What does the installation process for a modern dental chair involve, and is professional assistance required? | Installation in 2026 includes anchoring the chair base (floor-mounted or mobile), connecting power, water lines (for integrated units), vacuum, and data interfaces (for IoT-enabled chairs). Floor-mounted models require precise leveling and reinforced flooring (minimum 2,000 lbs load capacity). While mobile units offer plug-and-play setup, hardwired installations demand certified dental equipment technicians. Manufacturers typically provide installation checklists and remote support; on-site service is recommended for integrated cabinetry or multi-chair bays. |
| 4. What is the standard warranty coverage for dental chairs in 2026, and what does it include? | Leading brands offer a 3–5 year comprehensive warranty covering structural frame, lifting mechanism, electrical components, and upholstery. Extended warranties (up to 7 years) are available for critical systems like hydraulic/pneumatic actuators. Warranty typically excludes wear items (cushions, hoses) and damage from misuse. Registration within 30 days of delivery is mandatory. Distributors should clarify onsite vs. depot service terms and ensure clinics receive bilingual warranty documentation. |
| 5. How do dental chair dimensions in feet impact operatory layout and compliance with ADA/ISO standards in 2026? | Standard dental chair dimensions (feet) in 2026: Length: 5.0–5.8 ft, Width: 2.2–2.6 ft, Height (seated): 2.0–2.3 ft. When reclined, length extends to 6.5+ ft. Clinics must allow 7.5 ft x 7.5 ft clear space for 360° dentist and assistant mobility, per ADA/ISO 13485. Chairs with integrated delivery systems may require additional depth. Always reference manufacturer CAD drawings and conduct a site survey to ensure compliance with local accessibility codes and efficient workflow design. |
Need a Quote for Dental Chair Dimensions In Feet?
Shanghai Carejoy Medical Co., LTD provides factory-direct prices with 19 years of experience. (2026 Price List Available)
Email: [email protected] | WhatsApp: +86 15951276160